时间:2024-05-12 10:05:09 点击数:
导读
针对矿井提升机盘形制动器的常见故障,通过对盘形制动器工作原理的分析,总结导致其故障的主要原因,列举了预防盘形制动器故障的相应对策,并对典型案例进行分析,给出了解决方案,可为今后盘形制动器的日常维护和故障处理提供参考。
矿井提升机主要用于煤矿、金属矿与非金属矿提升、下放人员、材料和设备等,它是联系井上和井下的重要交通运输工具,是矿山的咽喉设备。
盘形制动器作为矿井提升机安全制动系统的关键部件,其工作可靠性直接关系着矿井提升机的安全性能,影响着矿山的安全生产,盘形制动器一旦发生故障,轻则影响生产进度,重则导致恶性事故的发生。常见的盘形制动器故障主要表现为刹不住车或敞不开闸,导致其故障的原因多种多样。笔者从盘形制动器工作原理的角度分析产生故障的原因,提出相应的预防对策及今后的维护措施,并列举典型案例进行分析。
1 盘形制动器的工作原理
目前大多数新型矿井提升机的制动系统都使用盘形制动器,与块式制动器相比,盘形制动器具有结构紧凑、动作灵敏、质量轻和散热快等特点。
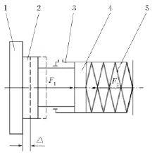
如图1所示,F1为油压力,F2为弹簧预压缩力。显而易见,盘形制动器是靠油压力 F1松闸,弹簧预压缩力 F2制动来实现其功能的。
油压力







